○興行場の設置場所の基準等に関する条例施行規則
昭和59年9月27日
京都府規則第62号
興行場の設置場所の基準等に関する条例施行規則をここに公布する。
興行場の設置場所の基準等に関する条例施行規則
(営業許可の申請)
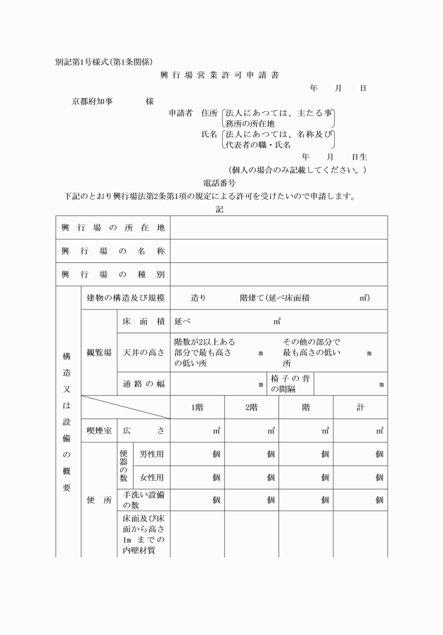
第1条 興行場法(昭和23年法律第137号。以下「法」という。)第2条第1項の規定により興行場営業の許可を受けようとする者は、次に掲げる事項を記載した興行場営業許可申請書(別記第1号様式)を知事に提出しなければならない。
(1) 申請者の氏名、住所及び生年月日(法人にあつては、その名称、代表者の役職名及び氏名並びに主たる事務所の所在地)
(2) 興行場の所在地及び名称
(3) 興行場の種別
(4) 構造設備の概要
(5) 入場定員
(6) 衛生責任者の氏名及び住所
(7) 興行期間(臨時に経営する興行場に限る。)
2 興行場営業許可申請書には、次に掲げる書類又は図面を添付しなければならない。
(1) 興行場の構造設備の状況を明らかにした書類又は図面
(2) 興行場の周囲200メートルの区域内の状況を明らかにした図面
(3) 申請者が法人の場合にあつては、代表者の資格を証する書類及び定款又は寄附行為の写し
(4) 前3号に掲げるもののほか、知事が必要と認める書類又は図面
(令2規則55・令5規則37・一部改正)
(営業許可証の交付)
第2条 知事は、法第2条第1項の許可をしたときは、興行場営業許可証(別記第2号様式)を交付するものとする。
(営業承継の届出)
第3条 法第2条の2第2項の規定により譲渡による営業者(法第2条第1項の許可を受けて興行場営業を営む者をいう。以下同じ。)の地位の承継の届出をしようとする者は、興行場営業承継届出書(別記第3号様式)を知事に提出しなければならない。
2 前項の興行場営業承継届出書には、次に掲げる書類を添付しなければならない。
(1) 営業の譲渡が行われたことを証する書類
(2) 届出者が法人の場合にあつては、代表者の資格を証する書類及び定款又は寄附行為の写し
(令5規則37・追加)
第4条 法第2条の2第2項の規定により相続による営業者の地位の承継の届出をしようとする者は、興行場営業承継届出書(別記第4号様式)を知事に提出しなければならない。
2 前項の興行場営業承継届出書には、次に掲げる書類を添付しなければならない。
(1) 戸籍謄本又は不動産登記規則(平成17年法務省令第18号)第247条第5項の規定により交付を受けた同条第1項に規定する法定相続情報一覧図の写し
(2) 相続人が2人以上ある場合において、営業者の地位を承継すべき相続人として選定された者にあつては、相続人全員の同意書
(昭61規則29・追加、令2規則55・一部改正、令5規則37・旧第3条繰下・一部改正)
第5条 法第2条の2第2項の規定により合併又は分割による営業者の地位の承継の届出をしようとする者は、興行場営業承継届出書(別記第5号様式)を知事に提出しなければならない。
2 前項の興行場営業承継届出書には、代表者の資格を証する書類及び定款又は寄附行為の写しを添付しなければならない。
(昭61規則29・追加、平13規則24・一部改正、令5規則37・旧第4条繰下・一部改正)
(変更の届出)
第6条 営業者は、興行場の構造設備を変更しようとするときは、興行場構造設備変更届出書(別記第6号様式)に変更後の構造設備の状況を明らかにした書類又は図面を添えて、これを知事に提出しなければならない。
2 営業者は、興行場営業許可申請書に記載した事項(興行場の構造設備に係るもの及び興行期間を除く。)又は興行場営業承継届出書に記載した事項を変更したときは、10日以内に興行場営業許可申請書等記載事項変更届出書(別記第7号様式)を知事に提出しなければならない。
(昭61規則29・旧第3条繰下・一部改正、令5規則37・旧第5条繰下・一部改正)
(営業の停止又は廃止の届出)
第7条 営業者は、営業の全部若しくは一部を停止し、又は営業を廃止したときは、10日以内に興行場営業停止(廃止)届出書(別記第8号様式)を知事に提出しなければならない。
(昭61規則29・旧第4条繰下・一部改正、令5規則37・旧第6条繰下・一部改正)
(構造又は設備の要件)
第8条 興行場の設置場所の基準等に関する条例(昭和59年京都府条例第62号。以下「条例」という。)第3条の規定により規則で定める興行場の構造又は設備の要件は、別表第1の左欄に掲げる区分に応じ、同表の右欄に掲げるとおりとする。
(昭61規則29・旧第5条繰下、令5規則37・旧第7条繰下)
(昭61規則29・旧第6条繰下、令5規則37・旧第8条繰下)
2 知事は、前項の規定により提出された申請書に係る基準の緩和等をしたときは、その旨を営業者に通知するものとする。
(昭61規則29・旧第7条繰下・一部改正、令5規則37・旧第9条繰下・一部改正)
(手数料の納付方法の特例)
第11条 京都府手数料徴収条例施行規則(平成12年京都府規則第3号)第3条第2項各号に掲げる場合においては、申請の際には、手数料の納付を要しない。
(令7規則40・追加)
附則
(施行期日)
1 この規則は、昭和59年10月1日から施行する。
(興行場法施行細則の廃止)
2 興行場法施行細則(昭和23年京都府規則第93号)は、廃止する。
(京都府手数料徴収規則の一部改正)
3 京都府手数料徴収規則(昭和31年京都府規則第6号)の一部を次のように改正する。
〔次のよう〕略
(京都府保健所長に権限を委任する規則の一部改正)
4 京都府保健所長に権限を委任する規則(昭和55年京都府規則第21号)の一部を次のように改正する。
〔次のよう〕略
(水道法等に基づく知事の権限に属する事務の一部を京都市長に委任する規則の一部改正)
5 水道法等に基づく知事の権限に属する事務の一部を京都市長に委任する規則(昭和55年京都府規則第24号)の一部を次のように改正する。
〔次のよう〕略
附則(昭和61年規則第29号)抄
1 この規則は、昭和61年6月24日から施行する。
附則(平成11年規則第11号)
この規則は、平成11年4月1日から施行する。
附則(平成13年規則第24号)
1 この規則は、公布の日から施行する。
2 この規則による改正前の公衆浴場法施行細則等に規定する様式により作成した用紙類は、当分の間、必要な調整をして使用することができる。
附則(平成17年規則第29号)
この規則は、公布の日から施行する。
附則(平成31年規則第4号)
この規則は、平成31年1月24日から施行する。
附則(令和元年規則第6号)
この規則は、令和元年7月1日から施行する。
附則(令和2年規則第25号)
この規則は、令和2年4月1日から施行する。
附則(令和2年規則第55号)抄
(施行期日)
1 この規則は、令和2年12月15日から施行する。
(経過措置)
2 この規則による改正後のそれぞれの規則の規定は、この規則の施行の日以後にされる申請について適用し、同日前にされた申請については、なお従前の例による。
3 この規則による改正前のそれぞれの規則の規定に基づく様式による用紙は、当分の間、この規則による改正後のそれぞれの規則の規定に基づく様式による用紙とみなし、所要の調整をして使用することができる。
附則(令和3年規則第15号)
1 この規則は、令和3年4月1日から施行する。
2 この規則による改正前のそれぞれの規則の規定に基づく様式による用紙は、当分の間、この規則による改正後のそれぞれの規則の規定に基づく様式による用紙とみなし、所要の調整をして使用することができる。
附則(令和5年規則第37号)抄
(施行期日)
1 この規則は、令和5年12月13日から施行する。
(施行前にされた申請等に関する経過措置)
2 別段の定めがあるものを除き、この規則(第6条、第8条及び第9条を除く。附則第11項において同じ。)による改正後のそれぞれの規則の規定は、この規則の施行の日(以下「施行日」という。)以後にされる申請又は届出について適用し、同日前にされた申請又は届出については、なお従前の例による。
(興行場の設置場所の基準等に関する条例施行規則の一部改正に伴う経過措置)
8 旅館業法等改正法附則第6条第1項の規定の適用を受ける者が行う興行場営業の許可の申請については、第7条の規定による改正後の興行場の設置場所の基準等に関する条例施行規則第1条及び別記第1号様式の規定にかかわらず、施行日以後も、なお従前の例による。
(様式に関する経過措置)
11 この規則による改正前のそれぞれの規則の規定に基づく様式による用紙は、当分の間、この規則による改正後のそれぞれの規則の規定に基づく様式による用紙とみなし、所要の調整をして使用することができる。
附則(令和7年規則第40号)
1 この規則は、令和7年4月1日から施行する。
2 この規則による改正前の興行場の設置場所の基準等に関する条例施行規則別記第1号様式による用紙は、当分の間、この規則による改正後の興行場の設置場所の基準等に関する条例施行規則別記第1号様式による用紙とみなし、所要の調整をして使用することができる。
別表第1(第8条関係)
(平11規則11・平17規則29・平31規則4・令元規則6・令2規則25・令7規則40・一部改正)
区分 | 要件 | |||
観覧場 | (1) 喫煙室、便所、ロビー、調理室その他の興行に直接関係しない場所と隔壁により区画されていること。 (2) 舞台と区画されていること。 (3) 2階以上の階の前端には、物の落下を防止することができる障壁、金網等が設けられていること。 (4) 入場者が容易に移動できる適当な通路が設けられていること。 | |||
喫煙室 | (1) 入場定員100人当たり4平方メートル以上の広さを有すること。 (2) 換気が容易にできる構造であること。 (3) 出入口が、観覧場に直接開口しない位置に設けられていること。 (4) 健康増進法(平成14年法律第103号)第30条第4項の規定による受動喫煙(同法第28条第3号に規定する受動喫煙をいう。)の防止の措置として興行場内での喫煙を禁止する場合であつて、その旨を入場者の見やすい箇所に掲示するときは、(1)から(3)までの規定は、適用しない。 | |||
便所 | (1) 男性用及び女性用に区画され、その旨が表示されていること。 (2) 出入口が、観覧場に直接開口しない位置に設けられていること。 (3) 床面及び床面から高さ1メートルまでの内壁は、不浸透性材料で造られていること。 (4) 便器は、次の表の左欄に掲げる入場定員の区分に応じ、同表の右欄に定めるところにより算出して得た数(小数点以下は切り捨てる。)以上の個数設けられていること。ただし、興行場内に観覧場が複数ある興行場については、定員数の多いものから順に、設置する観覧場の3分の2以上の観覧場を選択し、その定員数を合計した数を次の表の左欄に掲げる入場定員とすることができる。この場合においては、入場者の利用が集中しないよう、各回の興行時間を調整しなければならないものとする。 | |||
|
|
|
| |
| 入場定員 | 算式 |
| |
| 100人以下 100人超500人以下 500人超1500人以下 1500人超 | 3
|
| |
|
|
| ||
(5) 水洗式であること。 (6) 適当な数の流水式給水栓を有する手洗い設備が設けられていること。 | ||||
換気設備 | (1) 機械換気設備(空気を浄化し、その流量を調節して供給することができる設備をいう。以下同じ。)又は空気調和設備(空気を浄化し、その温度、湿度及び流量を調節して供給(排出を含む。)することができる設備をいう。以下同じ。)であること。 (2) 観覧場の床面積が延べ400平方メートルを超える場合又は地階に観覧場がある場合における機械換気設備は、給気機及び排気機を有すること。 (3) 床面積1平方メートル当たり毎時60立方メートル以上の換気能力を有すること。 (4) 外気取入口は、衛生上有効な換気の確保に支障を来さない位置に設けられていること。 | |||
照明設備 | (1) 入場者が利用する場所においては、床面から40センチメートルの高さにおいて70ルクス以上の照度を満たす機能を有すること。 (2) 入場者が利用する場所には、床面において30ルクス以上の照度を満たす機能を有し、前号に規定する照明設備と電源の異なる補助照明設備が設けられていること。 (3) 映写等のため観覧場において消灯を行う必要のあるものにあつては、電圧昇降器その他の照度を漸減することができる設備及び床面において1.5ルクス以上の照度を満たす機能を有する照明設備が設けられていること。 | |||
別表第2(第9条関係)
(平11規則11・令7規則40・一部改正)
区分 | 行為の内容 |
定期的な清掃及び消毒 | (1) 施設は、毎日清掃し、必要に応じて補修すること。 (2) ねずみ、昆虫等の駆除作業は、1月に1回以上行うこと。 (3) 扉の取つ手、手すり、その他入場者の手が接触しやすい箇所は、常に消毒しておくこと。 (4) ねずみ、昆虫等の駆除及び消毒の実施状況について帳簿に記録し、これを2年以上保存すること。 (5) ねずみ、昆虫等の駆除及び消毒の方法及び年月日を記載した書面を入場者が容易に見ることができる位置に掲示しておくこと。 |
空気環境及び照度の調整 | (1) 機械換気設備による場合にあつては、次の基準値に適合するよう空気環境を調整すること。 ア 炭酸ガス濃度 1000ppm以下 イ 浮遊粉じん量 1m3当たり0.15mg以下 (2) 空気調和設備による場合は、前号に規定する基準値に適合するほか、次の基準値に適合するよう空気環境を調整すること。 ア 温度 17℃以上28℃以下 イ 相対湿度 40%以上70%以下 ウ 気流 毎秒0.5m以下 (3) 空気環境の測定は、定期的に行い、その測定状況を帳簿に記録し、これを2年以上保存すること。 (4) 空気環境の測定年月日及び測定値を記載した書面を入場者が容易に見ることができる位置に掲示しておくこと。 (5) 適正な照度を保持できるよう調整すること。 (6) 照度の測定は、定期的に行うこと。 |
設備の管理 | 設備は、定期的に保守点検し、常に適正に使用できるよう整備しておくこと。 |
その他入場者の衛生に必要な行為 | (1) 営業許可証は、入場者が容易に見ることができる位置に掲示しておくこと。 (2) 入場者の喫煙が喫煙室以外で行われないように、入場者が容易に見ることができる位置に禁煙又は喫煙室である旨を表示するとともにその他の有効な措置を講じること。 (3) 入場者の事故の発生に備え、次の措置を講じること。 ア 救急医療の用に供する医薬品等及び衛生材料を備えること。 イ 医療機関への連絡その他の入場者救護体制を確立すること。 (4) 入場定員については、その旨を入場者が容易に見ることができる位置に掲示し、定員以上の者を入場させないこと。 (5) 従事者のうちから衛生責任者(公衆衛生に関する責任者をいう。)を定め、衛生管理及び従事者に対する衛生教育に当たらせること。 |
(平13規則24・令2規則55・令3規則15・令5規則37・令7規則40・一部改正)



(令5規則37・追加)

(昭61規則29・追加、平13規則24・令2規則55・令3規則15・一部改正、令5規則37・旧第3号様式繰下・一部改正)

(昭61規則29・追加、平13規則24・令3規則15・一部改正、令5規則37・旧第4号様式繰下・一部改正)

(昭61規則29・旧第3号様式繰下・一部改正、平13規則24・令3規則15・一部改正、令5規則37・旧第5号様式繰下・一部改正)

(昭61規則29・旧第4号様式繰下・一部改正、平13規則24・令3規則15・一部改正、令5規則37・旧第6号様式繰下・一部改正)

(昭61規則29・旧第5号様式繰下・一部改正、平13規則24・令3規則15・一部改正、令5規則37・旧第7号様式繰下・一部改正)

(昭61規則29・旧第6号様式繰下・一部改正、平13規則24・令3規則15・一部改正、令5規則37・旧第8号様式繰下・一部改正)



